Home
Up

 

 

 


RF Filters


 

DC Pass/13.56 MHz RF Blocking Filters

 

  Sales brochure AC 200, Rev. D 02/18

 

 

 

 

 

 

 

bullet Protects DC Power Supplies and Control Systems from Damage & Interference
bullet Filters RF from DC Components
bullet Low Frequency DC (<1 MHz) Passes Through Without Interference
bullet 3 watts to 4 KW from 1 to 13.56 MHz
bullet Connects at Output of DC Power Supply
bullet CE, CSA & UL Compliant

 

Description

Simply put, if you will run an RF power supply simultaneously with a DC magnetron power supply, you need one of these.

This filter is required to be installed on the output of the Ion™ series power supplies when 13.56 MHz RF power is present in the sputtering environment ( including substrate bias and heaters in addition to RF power to one or more sputtering sources).  Its use results in keeping the RF energy inside the “process” instead of leaking out and radiating.  Radiation of RF energy may cause coupling to adjacent system cabling and interference with the connected hardware.

The filter allows low-frequency (DC) < 1 MHz to pass from the DC power supply to the sputtering source while at the same time preventing RF power from interfering with or damaging DC or AC power supplies.  The filter uses a “Pi” topology and ferrite cores.  This is a somewhat more expensive, but much more reliable design compared to “L” topology without a ferrite core.  Ferrite cores improve the stability, sensitivity and reliability of the filtering function.  Plainly stated – the filter is more effective.

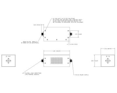
Note that the orientation of the filter is important. The capacitor must always be on the power supply side (“output”) to ensure process stability.  Input and output are defined as follows:

Output: Toward Plasma Load
Input: Toward DC or AC Power Supply

 

Specifications

Part Number

00002374

Frequencies Attenuated

1 to 13.56 MHz

Power Rating

100 to 4000 watts RF (4A @ 1000V)

Input Connector

Female HN standard (Female UHF (SO 239) or N optional)

Output Connector 

Female HN standard (Female UHF (SO 239) or N optional)

Size (L x W x H)

6.50” x 3.50” x 3.00” (165.10 mm x 88.90 mm x 76.20 mm)

Weight

1.9 pounds (861 grams)

 

Interface

 

 

 

 

 

 

 

 

 

 

 

Home Site Map

Copyright © 1993-2018 Materials Science, Inc.
Last modified: 26 January 2018